| État de disponibilité: | |
|---|---|
FCST-TH-SMC03
FCST

Application de produit
Articles | No. | Résultats des tests |
Température de distorsion thermique | GB / T1634.2-2004 | > 200 ° C |
Résistance à la flexion | GB / T9979-2005 (-40 ° C) | 265MPA |
Module de flexion | GB / T9979-2005 (-40 ° C) | 1.43x10 ^ (4) MPA |
Taux de rétention de résistance à la flexion | GB / T9979-2005 (-40 ° C) | 124% |
Taux de rétention du module de flexion | GB / T9979-2005 (-40 ° C) | 11,16% |
Coefficient d'extension linéaire | B / T2572-205 (26 ° C ~ 100° C) | 1,66x10 ^ (- 5) |
Articles | No. | Exigences | Résultats des tests |
Résistance à la traction | GB / T1447-2005 | ≥ 100MPA | 105MPA |
Module de traction | GB / T1447-2005 | ≥ 10gpa | 11.8gpa |
Résistance à la flexion | GB / T1449-2005 | ≥ 200MPA | 213MPA |
Module de flexion | GB / T1449-2005 | ≥ 10gpa | 11.3gpa |
Résistance à l'impact | GB / T1451-2005 | ≥ 80kj / | 90,8kj / |
La dureté de Barr | GB / T3854-2005 | ≥50 | 56 |

Produit A Dvantages
l résistance à la corrosion forte.
l Bonne résistance à une température élevée et basse.
l Installation facile.
L Transport pratique et réduction des coûts.
l longue durée de vie (30 ans).
l Hauteur réglable.

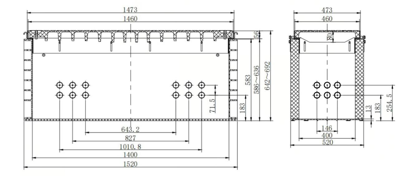
Taille du produit
Taille externe (l * w * h) | Dimensions internes (l * w * h) | Grade de charge de couverture de trou d'homme |
1520 * 520 * 642 mm | 1400* 400 * 583 mm (55.119 'x15.749 ' x22.953 ') | B125 (12.5T) / C250 (25T) |

Commande de formation

Fosc f ixed f Rame Facultatif

Spécifications du produit
Tous les produits sont conformes aux normes EN124: 1994.
Ressité chimique Performance
Produits chimiques | Concentré s ulfuric un cid | S odium h ydroxyde | S Odium C Hlorure |
Tester C ontions | Trempé dans la solution spécifiée pour 48h | ||
Résultats des tests | Pas de corrosion évidente à la surface, qualité de qualité <1% | ||
Performance mécanique
Articles | No. | Exigences | Résultats des tests |
Résistance à la traction | GB / T1447-2005 | ≥ 100MPA | 105MPA |
Module de traction | GB / T1447-2005 | ≥ 10gpa | 11.8gpa |
Résistance à la flexion | GB / T1449-2005 | ≥ 200MPA | 213MPA |
Module de flexion | GB / T1449-2005 | ≥ 10gpa | 11.3gpa |
Résistance à l'impact | GB / T1451-2005 | ≥ 80kj / | 90,8kj / |
La dureté de Barr | GB / T3854-2005 | ≥50 | 56 |
Charge de chambre
Type de chambre | FCST-TH-SMC03 |
Charge d'essai axial | 100kn |
Charge de test latérale | 40kn |
Performance thermique
Articles | No. | Résultats des tests |
Température de distorsion thermique | GB / T1634.2-2004 | > 200 ° C |
Résistance à la flexion | GB / T9979-2005 (-40 ° C) | 265MPA |
Module de flexion | GB / T9979-2005 (-40 ° C) | 1.43x10 ^ (4) MPA |
Taux de rétention de résistance à la flexion | GB / T9979-2005 (-40 ° C) | 124% |
Taux de rétention du module de flexion | GB / T9979-2005 (-40 ° C) | 11,16% |
Coefficient d'extension linéaire | B / T2572-205 (26 ° C ~ 100° C) | 1,66x10 ^ (- 5) |
De chaque côté du produit , 6 les trous de forage sont réservés à l' usine et il y a un ouvre- trous . La taille du trou de forage
être ajusté sur le chantier de construction en fonction de la taille réelle du tuyau en silicium HDPE / micro-conduit HDPE.

Emballage et ransportation
Description de l'emballage
En raison des caractéristiques structurelles du produit, l'emballage d'usine peut être sélectionné en fonction des besoins réels des clients, des distances de transport et des voies de transport.
Démontage et transport
La structure du produit est simple et facile à démonter, et tous les composants peuvent être divisés en pièces discrètes, qui sont empilées et à plat. Il occupe un petit espace, un faible coût de transport, le démontage et le regroupement sont plus propices à la stabilité des produits, il est pratique pour le transport et les dommages causés par les marchandises sont faibles.
Palette s ize | P RODUCT W Huit ( kg ) | Palette c apacité | Conteneur l oading capacité (Limite de poids du conteneur 40gp ,26 tonnes ) |
FCST-TH-SMC03 (1150 mmx1570mmx2250 mm) | 118 | 20 pieds | 215sets |

Transport de produit fini
Après assemblage, les composants principaux sont placés dans la palette, puis groupés et serrés. Gagnez le temps de l'assemblage et améliorez la qualité du transport. Selon différents types de produits, il peut généralement transporter 12 ou 6 groupes de produits pour un transport efficace.


Application de produit
Articles | No. | Résultats des tests |
Température de distorsion thermique | GB / T1634.2-2004 | > 200 ° C |
Résistance à la flexion | GB / T9979-2005 (-40 ° C) | 265MPA |
Module de flexion | GB / T9979-2005 (-40 ° C) | 1.43x10 ^ (4) MPA |
Taux de rétention de résistance à la flexion | GB / T9979-2005 (-40 ° C) | 124% |
Taux de rétention du module de flexion | GB / T9979-2005 (-40 ° C) | 11,16% |
Coefficient d'extension linéaire | B / T2572-205 (26 ° C ~ 100° C) | 1,66x10 ^ (- 5) |
Articles | No. | Exigences | Résultats des tests |
Résistance à la traction | GB / T1447-2005 | ≥ 100MPA | 105MPA |
Module de traction | GB / T1447-2005 | ≥ 10gpa | 11.8gpa |
Résistance à la flexion | GB / T1449-2005 | ≥ 200MPA | 213MPA |
Module de flexion | GB / T1449-2005 | ≥ 10gpa | 11.3gpa |
Résistance à l'impact | GB / T1451-2005 | ≥ 80kj / | 90,8kj / |
La dureté de Barr | GB / T3854-2005 | ≥50 | 56 |

Produit A Dvantages
l résistance à la corrosion forte.
l Bonne résistance à une température élevée et basse.
l Installation facile.
L Transport pratique et réduction des coûts.
l longue durée de vie (30 ans).
l Hauteur réglable.

Taille du produit
Taille externe (l * w * h) | Dimensions internes (l * w * h) | Grade de charge de couverture de trou d'homme |
1520 * 520 * 642 mm | 1400* 400 * 583 mm (55.119 'x15.749 ' x22.953 ') | B125 (12.5T) / C250 (25T) |

Commande de formation

Fosc f ixed f Rame Facultatif

Spécifications du produit
Tous les produits sont conformes aux normes EN124: 1994.
Ressité chimique Performance
Produits chimiques | Concentré s ulfuric un cid | S odium h ydroxyde | S Odium C Hlorure |
Tester C ontions | Trempé dans la solution spécifiée pour 48h | ||
Résultats des tests | Pas de corrosion évidente à la surface, qualité de qualité <1% | ||
Performance mécanique
Articles | No. | Exigences | Résultats des tests |
Résistance à la traction | GB / T1447-2005 | ≥ 100MPA | 105MPA |
Module de traction | GB / T1447-2005 | ≥ 10gpa | 11.8gpa |
Résistance à la flexion | GB / T1449-2005 | ≥ 200MPA | 213MPA |
Module de flexion | GB / T1449-2005 | ≥ 10gpa | 11.3gpa |
Résistance à l'impact | GB / T1451-2005 | ≥ 80kj / | 90,8kj / |
La dureté de Barr | GB / T3854-2005 | ≥50 | 56 |
Charge de chambre
Type de chambre | FCST-TH-SMC03 |
Charge d'essai axial | 100kn |
Charge de test latérale | 40kn |
Performance thermique
Articles | No. | Résultats des tests |
Température de distorsion thermique | GB / T1634.2-2004 | > 200 ° C |
Résistance à la flexion | GB / T9979-2005 (-40 ° C) | 265MPA |
Module de flexion | GB / T9979-2005 (-40 ° C) | 1.43x10 ^ (4) MPA |
Taux de rétention de résistance à la flexion | GB / T9979-2005 (-40 ° C) | 124% |
Taux de rétention du module de flexion | GB / T9979-2005 (-40 ° C) | 11,16% |
Coefficient d'extension linéaire | B / T2572-205 (26 ° C ~ 100° C) | 1,66x10 ^ (- 5) |
De chaque côté du produit , 6 les trous de forage sont réservés à l' usine et il y a un ouvre- trous . La taille du trou de forage
être ajusté sur le chantier de construction en fonction de la taille réelle du tuyau en silicium HDPE / micro-conduit HDPE.

Emballage et ransportation
Description de l'emballage
En raison des caractéristiques structurelles du produit, l'emballage d'usine peut être sélectionné en fonction des besoins réels des clients, des distances de transport et des voies de transport.
Démontage et transport
La structure du produit est simple et facile à démonter, et tous les composants peuvent être divisés en pièces discrètes, qui sont empilées et à plat. Il occupe un petit espace, un faible coût de transport, le démontage et le regroupement sont plus propices à la stabilité des produits, il est pratique pour le transport et les dommages causés par les marchandises sont faibles.
Palette s ize | P RODUCT W Huit ( kg ) | Palette c apacité | Conteneur l oading capacité (Limite de poids du conteneur 40gp ,26 tonnes ) |
FCST-TH-SMC03 (1150 mmx1570mmx2250 mm) | 118 | 20 pieds | 215sets |

Transport de produit fini
Après assemblage, les composants principaux sont placés dans la palette, puis groupés et serrés. Gagnez le temps de l'assemblage et améliorez la qualité du transport. Selon différents types de produits, il peut généralement transporter 12 ou 6 groupes de produits pour un transport efficace.
