| État de disponibilité: | |
|---|---|
FCST-TH-SMC02
FCST
FCST-TH-SMC02
Aperçu du produit
La chambre de trou d'homme de télécommunication FCST-TH-SMC02 est méticuleusement conçue pour offrir des solutions complètes de protection, de stockage, d'installation d'équipement et de maintenance pour le placement souterrain de boîtes d'épissure de fibres optiques et de produits de câbles. Ce produit offre non seulement une stabilité élevée, une durée de vie prolongée et une résistance à la pression exceptionnelle, mais facilite également un assemblage facile.
Excellente résistance à la corrosion et aux intempéries.
Bonne isolation électrique et ignifuge.
La profondeur peut être empilée selon les besoins.
Conception légère utilisant des matériaux composites SMC.
La structure préfabriquée réduit les coûts de construction sur site.
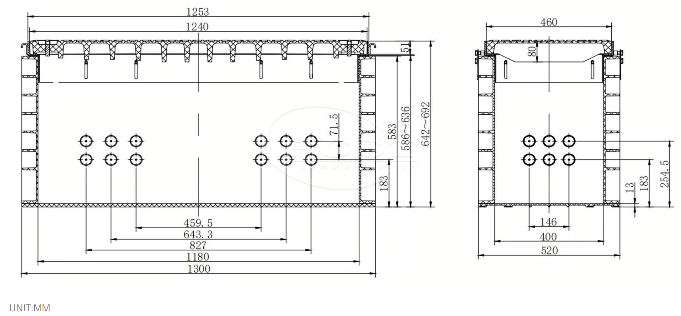
Dimensions internes : 1180*400*583mm(46.457'x15.749'x22.953') .
Conforme à la norme EN124. (B125 (12,5T)/C250 (25T)/D400 (40T)).
Des raidisseurs transversaux et verticaux sont disposés autour du côté extérieur du puits et peuvent également être étroitement combinés avec la couche de sol damée. Il n'est pas facile de bouger et de desserrer après avoir roulé.
Spécifications du produit
| Construction | Description |
| Norme exécutive | EN124 |
| Matériel | SMC |
| Grade de charge de couverture de trou d'homme | B125(12,5T) | C250(25T) | D400(40T) |
| Longueur | 1180,00 mm | 46,457 pouces |
| Largeur | 400,00 mm | 15,749 pouces |
| Profondeur | 583,00 mm | 22,953 pouces |
| Poids | 100,8 kg (1 couche) |
| Grade d'atterrissage de la flamme | V0 |
| Logo des exigences environnementales | Rencontrez ROHS disponible |
| Température de travail | -40°C~+65°C |
| Température de travail | -40°C~+70°C |
| Durée de vie | 30 ans |
Taille du produit
| Taille externe (L*W*D) | Dimensions internes (L*L*P) | Grade de charge de couverture de trou d'homme |
| 1300*520*642mm (51.182'x20.473'x25.276') | 1180*400*583mm (46,457'x15,749'x22,953') | B125 (12.5T) / C250 (25T) / D400 (40T) |
Application de produit
Remarque : L'application pratique de cette chambre de regard composite, couvrant de nombreux domaines tels que l'administration municipale, l'énergie électrique, l'électricité, l'eau, l'administration routière et le drainage.
De chaque côté du produit. La taille du trou de forage peut être ajustée sur le chantier de construction en fonction de la taille réelle du tuyau en silicone HDPE/ micro-conduit HDPE.
Aperçu du produit
La chambre de trou d'homme de télécommunication FCST-TH-SMC02 est méticuleusement conçue pour offrir des solutions complètes de protection, de stockage, d'installation d'équipement et de maintenance pour le placement souterrain de boîtes d'épissure de fibres optiques et de produits de câbles. Ce produit offre non seulement une stabilité élevée, une durée de vie prolongée et une résistance à la pression exceptionnelle, mais facilite également un assemblage facile.
Excellente résistance à la corrosion et aux intempéries.
Bonne isolation électrique et ignifuge.
La profondeur peut être empilée selon les besoins.
Conception légère utilisant des matériaux composites SMC.
La structure préfabriquée réduit les coûts de construction sur site.
Dimensions internes : 1180*400*583mm(46.457'x15.749'x22.953') .
Conforme à la norme EN124. (B125 (12,5T)/C250 (25T)/D400 (40T)).
Des raidisseurs transversaux et verticaux sont disposés autour du côté extérieur du puits et peuvent également être étroitement combinés avec la couche de sol damée. Il n'est pas facile de bouger et de desserrer après avoir roulé.
Spécifications du produit
| Construction | Description |
| Norme exécutive | EN124 |
| Matériel | SMC |
| Grade de charge de couverture de trou d'homme | B125(12,5T) | C250(25T) | D400(40T) |
| Longueur | 1180,00 mm | 46,457 pouces |
| Largeur | 400,00 mm | 15,749 pouces |
| Profondeur | 583,00 mm | 22,953 pouces |
| Poids | 100,8 kg (1 couche) |
| Grade d'atterrissage de la flamme | V0 |
| Logo des exigences environnementales | Rencontrez ROHS disponible |
| Température de travail | -40°C~+65°C |
| Température de travail | -40°C~+70°C |
| Durée de vie | 30 ans |
Taille du produit
| Taille externe (L*W*D) | Dimensions internes (L*L*P) | Grade de charge de couverture de trou d'homme |
| 1300*520*642mm (51.182'x20.473'x25.276') | 1180*400*583mm (46,457'x15,749'x22,953') | B125 (12.5T) / C250 (25T) / D400 (40T) |
Application de produit
Remarque : L'application pratique de cette chambre de regard composite, couvrant de nombreux domaines tels que l'administration municipale, l'énergie électrique, l'électricité, l'eau, l'administration routière et le drainage.
De chaque côté du produit. La taille du trou de forage peut être ajustée sur le chantier de construction en fonction de la taille réelle du tuyau en silicone HDPE/ micro-conduit HDPE.